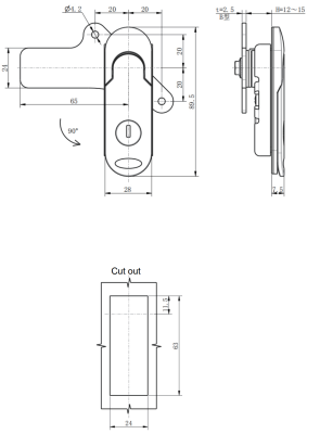
MP843

Material: Zinc alloy housing, Steel support and cam

Finish: Painting(Nanometer) Galvanized steel support and cam

Application:Quick-open, easy assembling

Remarks: keyK08